Views: 50
デジタルインボイスを中心としたデジタルデータを用いたDXをクラウドサービスで提供するときの業務イメージを検討してみました。
2020年末にXBRL JapanからEIPAに提言した業務イメージの発展形です。
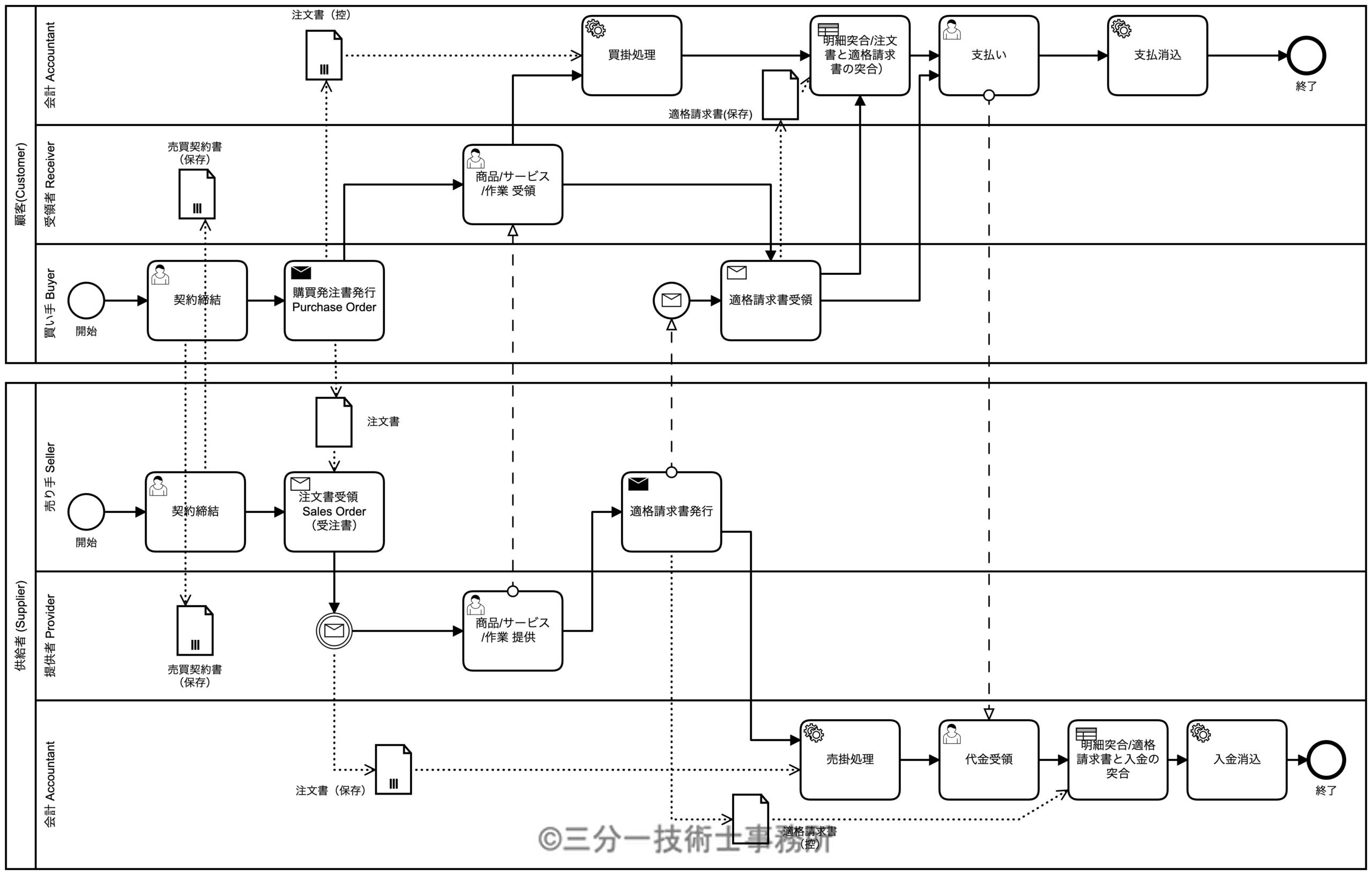
EN 16931-1で規定されていた12種類のユースケースを日本企業に当てはめ、組織の役割を明確にすることが最初の一歩です。
この図では、顧客企業の役割を買い手、受領者、会計に分け、供給者側の役割を売り手、供給者、会計に分けています。
顧客における組織名称は、買い手は、資材、調達、購買といった名称でしょうか。受領者は、その商品やサービスを受領したり、サービスを利用する部門、会計は、経理でしょうか。
供給者における組織名称は、売り手は、営業、供給者は、その商品やサービスを提供する部門、、会計は、経理でしょうか。
組織名称をそれぞれの企業に当てはめるとより具体的な業務イメージが見えてくると思います。
デジタルデータとそれぞれの業務ソフトに蓄積されているデータやデジタル文書をどのように共有し、どこが責任をもって管理するかも併せて検討することでDXの課題と対応策が見えてきます。
業種やサービスの形態によって取引形態が異なり、処理のタイミングも異なります。
EN 16931-1で規定されていた12種類のユースケースを日本企業の実情に合わせてデジタルインボイスの役割を整理することで、導入効果がより算出しやすくなると思います。


